UHZ-C4 頂裝汽化專用型磁翻板
頂裝式汽化專用型磁翻板液位計適用于壓力容器中易汽化介質的液體測量,尤其適合埋地罐液化氣介質的液位測量。由于測量浮子采用一組三個純鈦浮球組合和獨特的導軌形式
標簽
- 產品詳情
- 產品調試
- 產品說明書
- 產品選型

液位計產品概述
頂裝式汽化專用型磁翻板液位計適用于壓力容器中易汽化介質的液體測量,尤其適合埋地罐液化氣介質的液位測量。由于測量浮子采用一組三個純鈦浮球組合和獨特的導軌形式,產品性能穩定可靠,實用性強,目前在LPG加氣站廣泛使用。
液位計技術指標
測量范圍:300~6000mm,超過6000mm可采用分段制造;
測量精度:±10mm;
工作壓力:-0.1~4Mpa;
工作溫度:-80~200℃;
介質密度:0.4g~1.2g/cm3
過程連接:法蘭DN80~DN150其他標準請在訂貨時注明;
接液材質:304、316L
液位計參數可選項
接液材質(304、316L)
公稱壓力Mpa
遠傳變送器任選
磁性開關任選
介質密度
溫度
測量范圍
連接法蘭標準
液位計可選配件
磁翻板液位計可以通過翻板的顯示,清楚的顯示容器內的液位高度。同時,通過以下選配 件的組合安裝,實現液位的遠程監視和控制。
指示器:可現場直接、清晰的顯示容器內的液位高度。
塑鋼指示器
鋁合金指示器
不銹鋼指示器
電子雙色指示器 可選
遠傳變送器:可實現液位測量信號的遠距離傳輸。
指示器內置式遠傳
常規不銹鋼遠傳
防爆遠傳
磁致伸縮變送器可選
磁性開關:用于檢測液位的某些限定店,以磁保持開關信號的方式, 提供報警或控制功能。
塑殼磁性開關(帶現場指示)
不銹鋼磁性開關
不銹鋼防爆磁性開關
防爆接線盒式磁性開關 可選
《一》磁翻板使用說明:
1. 開箱檢查儀表的型號與選購的型號是否一致,法蘭尺寸及中心距離是否與現場尺寸一致。
2. 液位計安裝需垂直,以保證磁性浮子在主導管內上下運動自如。
3. 液位計與容器之間應裝有閥門,以便清洗和檢修時切斷物料。
4. 液位計筒體周圍不容許有磁體靠近,否則會影響液位計正常工作。
5. 液位計出廠時一般不保溫,但可根據用戶需求代為保溫。如用戶自行采用伴熱管道時,需選用非導磁材料。
6. 為防止運輸途中磁性浮子在主導管內高速滑動而被撞擊,液位計出廠前,用卡絲將磁性浮子固定在下引液管處,用戶在安裝前應先抽出卡絲方能安裝。
7. 1)UPVC、鋁面板液位計安裝完畢后,需用磁鋼進行校正,對磁翻板導引一下,使零位以上顯示白色。
2)磁敏電子雙色液位計如出現只亮一段,或者只顯示一種顏色,是因電壓過低造成,建議更換使用DC24V 2A電源。
8. 液位計投入運行時,應先打開引液管閥門,然后慢慢開啟下引液管閥門,讓液體介質平穩流入,避免液體介質帶著浮子急速上升,造成磁性翻柱翻轉失靈或翻亂(若遇此現象,可用磁鋼重新校正).
9. 如需更換浮子時,應注意重端磁性一端向上,不能倒裝!
10. 液位計筒體內不應有固定雜質進入,以免對浮子造成卡阻。根據介質情況,可定期清洗主導管,清除罐內沉積物雜質。
校準說明:
翻板指示器的校準 所有液位計在出廠之前均進行嚴格的校準,出廠時以下法蘭中心線為零點,以上法蘭中心線為滿度,兩法蘭中心距為儀表的使用范圍。用戶如發現進液后標尺和零位與實際有位差,可松開喉箍,移動翻板的位置,調節翻板(標尺)的位置正好對應實際的液位值。 如果發現指示器翻板排列雜亂無章,可在安裝前用隨貨磁鐵對準翻板自上而下移動,使翻柱排列整齊。 當翻柱排列整齊并且浮子以下為紅色而以上為白色時,說明校準完整,可進水或移動浮子觀察翻柱的變化。
《二》遠傳變送器輸出值的校準
1.按照傳感器接線圖接線,注意24伏的正負;

2、本安防爆
防爆結構適用于有爆炸危險的 環境場合。
a帶本安防爆,上、下限開關輸出型?
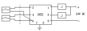
防爆開關由于干簧開關和帶繼電 器觸點的安全柵組成,可向用戶直接 提供一對常開或常閉觸點。如用戶需 更多觸點可特殊設計訂貨。接線見 圖六

圖六
b帶本安防爆遠傳型
適合使用于II類電氣設備(工廠 用)、C級氣體,最高表面溫度組別T4 (135℃)。
接線見圖七。

c使用注意事項?
1)變送器外殼設有外接地,用戶使用時必須可靠接地。
2)安全柵的使用應遵守有關使用說明內容。
3)變送器與安全柵本安端的連接電纜為二芯屏蔽電纜,芯線截面積>0.5 mm2,電纜允許分布電容為0.8uF。
3.緩慢進水,使翻板正好翻到標尺的零位(或用戶事先設定好的位置),調節零位電位器,使電流輸出為4mA;
4.緩慢進水,使翻柱正好翻到標尺的滿度(或用戶事先設定好的位置),調節滿度電位器,使電流輸出正好為20mA; 4.重復以上步驟,直到輸出準確為止。一般出廠均為已調整過,用戶無需再調。如需調節,一般調節2至3遍即可。?
?《三》電子雙色型顯示器供電系統 電熱管接線盒 顯示器為雙電源獨立供電,請務必使用產品配套的電源適配器。

《四》 電加熱供電系統

電熱管接線盒 導熱油加注方法:從電加熱層側面接管孔加注導熱油至安全線,不得低于或超過安全線。
| UHZ磁翻板液位計選型 | ||||||||||||
| 側裝式 | 安裝方式 | |||||||||||
| 頂裝式 | ||||||||||||
| 頂裝側顯式 | ||||||||||||
| 304(標配UPVC顯示器,100℃以上配鋁合金顯示器) | 主體材質 | |||||||||||
| 316L(標配UPVC顯示器,100℃以上配鋁合金顯示器) | ||||||||||||
| 塑料防腐型 (3.UPVC 3a.ABS 3b.PPR 標配UPVC顯示器) | ||||||||||||
| 不銹鋼襯四氟(標配UPVC顯示器) | ||||||||||||
| 夾套型(a.蒸汽夾套 b.電加熱 c.電伴熱 d.防霜型 標配鋁合金顯示器) | ||||||||||||
| 0.6MPa | 公稱壓力 | |||||||||||
| 1.6MPa | ||||||||||||
| 2.5MPa | ||||||||||||
| 4.0MPa | ||||||||||||
| 6.3MPa | ||||||||||||
| 10.0MPa | ||||||||||||
| 基本型(無遠傳裝置) | 變送器 | |||||||||||
| UPVC內置遠傳 | ||||||||||||
| 常規鋁盒遠傳 | ||||||||||||
| 防爆鋁殼遠傳 | ||||||||||||
| 磁致伸縮遠傳 | ||||||||||||
| 無磁性開關 | 磁性開關 | |||||||||||
| 塑殼磁性開關 | ||||||||||||
| 不銹鋼磁性開關 | ||||||||||||
| 防爆磁性開關(不銹鋼防爆 .防爆接) | ||||||||||||
| 介質密度 | ||||||||||||
| 介質溫度 | ||||||||||||
| 安裝法蘭 | ||||||||||||
| 配對法蘭 | ||||||||||||
| 四氟排污閥 | ||||||||||||











